

調試案例 | DisplayPort LTTPRs 重定時時鐘頻率變化
DisplayPort LTTPRs 重定時時鐘頻率變化
在DisplayPort中,所有鏈路建立通信都是通過DP-AUX通道實現的。DP-AUX是一個1Mbps的曼徹斯特編碼總線,與高速信號是異步的。圖1展示了USB-C下行端口通過重定時器到SoC的SBU/AUX路徑。

圖1
為了驗證重定時器性能正常,頻率變化符合規范要求,設置WaveMaster/SDA8000HD同時探測和捕獲SBU/AUX信號和ML0/ML1高速信號。 在圖2中,Retimer DUT連接到已知性能好的LinkPartner。

圖2
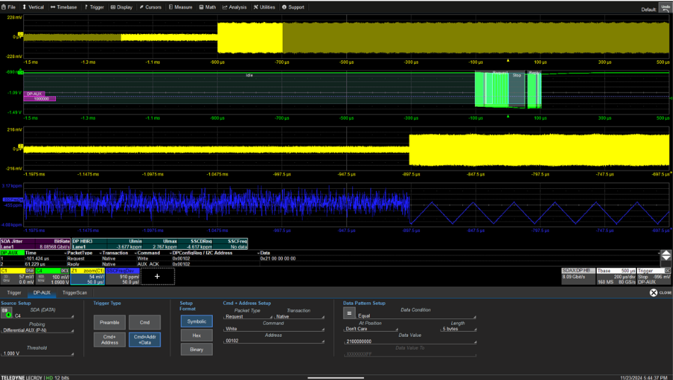
重定時器頻率變化測試是通過確保頻率變化參數在規范容許范圍內來進行的,這就要求以盡可能高的采樣率采集重定時器信號,以便進行精確測量。然而,要在重定時器開始用重定時時鐘傳輸數據時觸發示波器比較困難。由于需要很高的采樣率,設置觸發器的微小延遲都會導致占用大量的示波器存儲深度,并可能導致無法在感興趣的時間內采集信號。 圖3顯示的是使用示波器的DP-AUX解碼捕捉整個鏈路事務序列,以發現重定時器何時開始傳輸重定時數據。從圖中可以看出,在光標C1所顯示的關注點之前發生了許多AUX事務。在解碼數據中搜索啟動重定時信號的AUX命令,發現TRAINING_PATTERN_SET(地址0x00102)的5字節數據值設置為(0x21000000)。然而,現在示波器采樣率設置得很低(10MS/s),可以捕捉很長時間,因此只能看到Lane0信號的輪廓(右上角黃色Z1曲線)。要準確捕捉Lane0信號,必須提高示波器的采樣率,但這會減少示波器的采集時間。因此,必須使用DP-AUX觸發器在感興趣的時刻捕捉較短的時間段。

圖3
圖4顯示了以全采樣率(80GS/s)捕獲重定時器啟動的DP-AUX觸發器設置,以便使用TeledyneLeCroy SDA Expert示波器軟件選件測量擴頻時鐘(SSC)變化。頻率變化測試通常是在PHY合規性測試期間進行的,但這種設置允許在可能出現互操作性問題的實時鏈路中進行。 圖中清楚地顯示了示波器對DP-AUX事件的觸發(綠色C4波形),以及Lane0數據信號的相關變化(Z1是放大的通道1波形)與擴頻時鐘信號的頻率變化(計算出的藍色SSCFreqDev曲線)。

圖4



